Электропривод NAFA 2-03 (230В, 3 Нм) с возвратной пружиной
Приводы NAFA с возвратной пружиной применяются в системах вентиляции и кондиционирования в качестве запорных, регулирующих и смесительных устройств.
Вал привода соединен с лопаткой клапана. При подаче на привод напряжения вал поворачивает лопатку, регулируя тем самым поступление воздуха через клапан. При отключении питающего напряжения вал с лопаткой возвращаются в исходное (открытое или закрытое) положение с помощью возвратной пружины на редукторе привода. Для отдельных типоразмеров приводов имеется возможность ручного перевода лопатки в требуемое положение с помощью шестигранного ключа.
По умолчанию вал привода вращается по часовой стрелке, направление вращения вала можно изменить (см. руководство по эксплуатации).

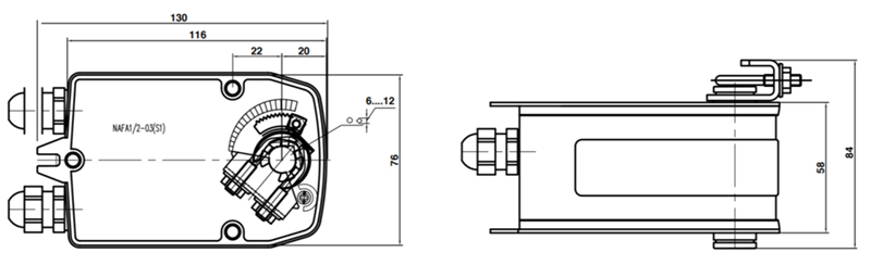
Габаритные размеры:

Схема подключения:


- ruk-po-expl-NAFA.pdf (1.10 MBytes) - Руководство по эксплуатации
- dekl-o-sootv.pdf (0.98 MBytes) - Декларация о соответствии


































